مروری تخصصی بر مهمترین و دقیقترین نرمافزارهای مهندسی مورد نیاز برای فرآیند طراحی و تحلیل استحکام سازههای مخازن تحت فشار و تجهیزات فرآیندی.
یک نرم افزار و یا پلت فرم رایانه ای به مهندسان و شرکت های سازنده مخزن کمک میکند تا علاوه بر صرفه جویی در وقت، به ارتقای کیفیت محصولات خود بپردازند. امروزه هوش مصنوعی و پردازشگرهای بسیار پرقدرت به کمک مهندسان آمده تا در زمینه های تحصصی از جمله تولید و ساخت انواع تجهیزات از جمله مخازن تحت فشار و تانکر های ذخیره مایعات از آغاز مراحل مختلف تولید تا تحویل به مشتری در کنارشان باشند. شرکت مخزن سازی پترو صنعت تاراز، کار طراحی و شبیه سازی مخازن تولیدی خود را با استفاده از این نرم افزارها انجام میدهد.
بیشتر بخوانید: طراحی مخازن تحت فشار
همانطور که میدانید یک مخزن از زمان ثبت سفارش توسط مشتری تا زمان نصب آن در محل مورد نظر، مراحل مختلفی را طی میکند. در هر مرحله از ساخت مخزن کارشناسان متخصص در همان رشته (طراح، جوشکار، نقاش و…) حضور دارند و همگی زیر نظر شرکت یا شخص سازنده مخزن مشغول به کار هستند. ما در این مقاله سعی میکنیم چند تا از بهترین نرم افزارهای مرتبط با مخازن و تانک ها که برای طراحی با رایانه استفاده میشوند را به شما معرفی کنیم.
قبل از شروع به طراحی و ساخت یک مخزن فولادی ابتدا باید تصمیم بگیرید که برای کار شما فولاد ضد زنگ (استنلس استیل) مناسب تر است یا کربن استیل؟ اگر کربن استیل مناسب است چه گریدی از این آلیاژ برای مخزن شما مناسب تر هست؟ با نرم افزار Key To Steel میباشد که یک دیتابیس از انواع متریال و خواص مکانیکی و شیمیایی مواد است که میتواند برای پایپینگ و انتخاب ورق مناسب از اطلاعات موجود در آن استفاده کرد.
مثلا برای ساخت مخزن نفت پالایشگاه که حاوی اسید سولفریک ۹۹% است و باید تا ۴۰۰ درجه سانتیگراد گرم شود و تحت فشار داخلی ۱۰۰ اتمسفر قرار بگیرد چه آلیاژی از فولاد مناسب است؟ با جستجو در خواص مکانیکی و شیمیایی دیتابیس این نرم افزار میتوانید پاسخ این سوال را پیدا کنید. این برنامه را میتوانید از اینجا دانلود کنید. نسخه قدیمی تر این نرم افزار را از اینجا دانلود کنید.

جستجو در بانک اطلاعاتی نرم افزار کلید فولاد
مخازن ذخیره نفت خام بر اساس استاندارد API650 میباشد که بهترین برنامه کامپیوتری جهت طراحی و ساخت اینگونه مخازن نرم افزار TANK میباشد. TANK یک نرم افزار جامع طراحی مخزن با کاربری انبارش نفت است و برای طراحی و تجزیه و تحلیل ضخامت دیوار و صفحه پایین، سقف های مخروطی پشتیبانی، ملاحظات سرویس و نگهداری و سایر عوامل موثر بر طراحی و ایمنی مخزن، مانند فشار داخلی، نشست پوسته، لرزه ای و باد طراحی شده است.
نرم افزار TANK به طور تخصصی برای طراحی و ساخت مخازن نگهداری سوخت ساخته شده که بر اساس کدهای استاندارد API650 طراحی شده و امکانات کاملی برای آنالیز متریال مناسب ساخت مخزن پالایشگاهی را دارا میباشد. این برنامه (به حجم ۳۲۰ مگابایت) به همراه آموزش نصب و استفاده از آن را میتوانید از اینجا دانلود کنید.

طراحی مخزن ذخیره نفت با نرم افزار TANK
از نرم افزار میکرواستیشن نیز میتوانید برای نقشه کشی پایپینگ و لوله کشی های تأسیسات مرتبط به مخزن استفاده کنید. محیط این برنامه بسیار شبیه به اتوکد میباشد و میتوانید آنرا از اینجا دانلود نمایید. البته برای طراحی مخازن تحت فشار استفاده ازاین نرم افزار توصیه نمیشود، بلکه این برنامه برای تأسیسات و پایپینگ مرتبط به مخازن که در یک مجتمع صنعتی و یا پروژه بزرگ میباشند بسیار مناسب میباشد.


از نرم افزار PDMS نیز میتوانید برای نقشه کشی های تاسیسات و پایپینگ پالایشگاهی استفاده کنید. انتخاب این که از کدام نرم افزار میتوانید استفاده کنید به مهارت خودتان بستگی دارد.

برای اینکه خیالتان از بابت نقشه کشی پایپینگ و تنش های وارده بر آن راحت باشد میتوانید برای شبیه سازی و آنالیر آن از نرم افزار Nozzle Pro استفاده کنید. این برنامه به شما کمک میکند اجزای مختلف پایپینگ های تأسیسات پالایشگاهی، لوله ها و همچنین اتصالات مختلف مانند فلنج ها و شیرآلات را برا اساس استاندارد ASME بررسی دقیق نمایید. این برنامه را میتوانید از اینجا دانلود و سپس طبق راهنمای آن نصب کنید.

محیط برنامه Nozzle Pro که بسیار مناسب پایپینگ های حساس پالایشگاهی میباشد
برای طراحی و نقشه کشی مخازن صنعتی میتوانید از برنامه طراحی و نقشه کشی سه بعدی سالیدورک استفاده کنید. نرم افزار SolidWorks ساخت شرکت داسوسیستم فرانسه است و میتوانید آنرا از اینجا دانلود کنید. سالیدورکس برای انواع مختلف طراحی های صنعتی از جمله نقشه کشی ۳ بعدی سازه ها و استراکچر های فولادی میتوانید از آن استفاده کنید.

نرم افزار SolidWorks
نرم افزار قدرتمند دیگری که میتوان از آن برای نقشه کشی مخزن از آن استفاده کرد اتوکد میباشد. AutoCad میتواند با سرعت بالا از فایل ها و چارت های Excel برای محاسبات دقیق تر طراحی های خود استفاده کند. کارکردن با این نرم افزار راحت است و حجم فایل هایی که تولید میکند پایین است. اتوکد را میتوانید از اینجا دانلود کنید.


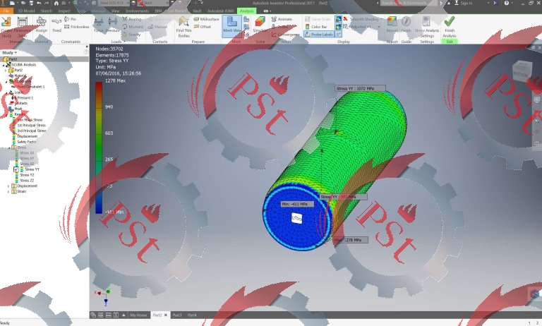
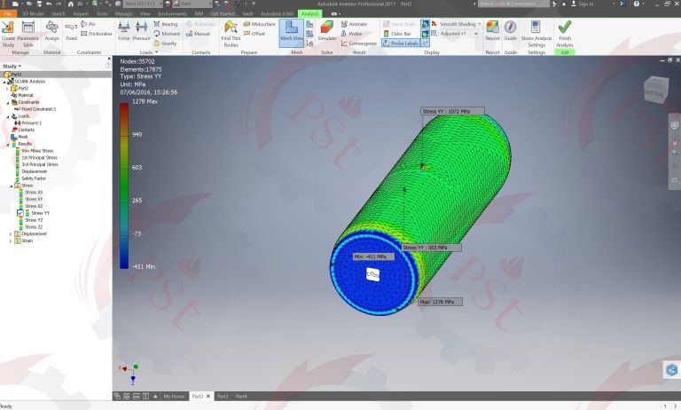
برخلاف برنامه های قبلی که نیازمند گرافیک بالا هستند این نرم افزارها نیازمند پردازشگرهای پرقدرت برای انجام محاسبات طراحی مخزن میباشند. نرم افزار اینونتور میتواند کلیه بارها و فشارهای وارده بر سازه های صنعتی از جمله مخازن را آنالیز و تحلیل نماید. برنامه AutoDesk Inventor را میتوانید از اینجا دانلود کنید. در این نرم افزار حتی میتوانید سیم کشی های برقی سازه خود را نیز شبیه سازی کنید.

نرم افزار Inventor
نرم افزار PV Elite (پی وی الایت) یکی دیگر از نرم افزارهای تخصصی و بسیار قدرتمند در زمینه طراحی مخازن و مبدل های حرارتی میباشد. بسیاری از تولید کنندگان بویلر، راکتور و اتوکلاو از این برنامه برای طراحی مخازن تحت فشار استفاده میکنند. امکانات این برنامه برای محاسبات طراحی مخزن بسیار کامل است و میتوانید آن را از اینجا دانلود کنید.

نرم افزار Pv Elite
ANSYS نیز برنامه ای برای تحلیل های مهندسی میباشد که البته توانایی طراحی بالایی ندارد و بهتر است نقشه مخزن را در برنامه ای دیگر مثل سالیدورکس طراحی کنید و در این برنامه آنرا Import کنید. نرم افزار انسیس میتواند تنش های حرارتی و دینامیکی روی مخازن را اندازه گیری و محاسبه نماید. این برنامه را میتوانید از اینجا دانلود کنید.

نرم افزار ANSYS
قدیمی ترین نرم افزار شبیه سازی مخزن ذخیره نفت، برنامه Eclipse میباشد که برای مدل سازی عددی مخازن انبارش نفت از آن استفاده می شود. این نرم افزار توانایی پیش بینی دقیقی از رفتار مخزن در برابر تنش های مختلف را دارا میباشد. جهت دانلود ایکلیپس اینجا را کلیک کنید.

محیط شبیه سازی نرم افزار Eclipse
نرم افزار آباکوس یکی از شناخته شده ترین برنامه های تحلیل المان به صورت محدود در محیط غیر خطی تحت شرایط استاتیک و داینامیک میباشد. شما میتوانید Abaqus را از اینجا دانلود نمایید. کاربرد این نرم افزار برای محاسبات و شبیه سازی تنش تسلیم در قسمت های مختلف یک مخزن تحت فشار میباشد. مانند برنامه انسیس در اینجا نیز میتوانید مخازنی را که در سالیدورکس و یا اتوکد طراحی کرده اید را ایموپورت نمایید و محاسبات کامپیوتری پیشرفته ای را حتی با کد نویسی روی ان انجام دهید.

محیط گرافیکی نرم افزار Abaqus
لازم به ذکر است کلیه نرم افزارهای معرفی شده در این صفحه توسط مهندسان خبره تیم طراحی و تولید شرکت پترو صنعت تاراز استفاده میشوند. جهت کسب اطلاعات بیشتر در مورد طراحی مخزن تحت فشار با شماره ۰۹۱۳۳۷۵۳۹۰۷ تماس بگیرید.
پترو صنعت تاراز