در این مقاله با مراحل طراحی، محاسبات و جزئیات نقشه لولهکشی برای دیگ بخار صنعتی آشنا میشوید.
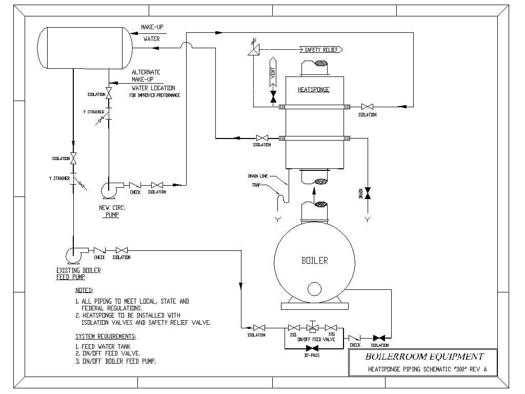
نقشه لوله کشی دیگ بخار به نقشهای اطلاق میشود که شرح مسیر و اتصالات لولههای بخار در یک سیستم بخار را نشان میدهد. این نقشه شامل جزئیات فنی مانند قطر و ضخامت لولهها، نوع و موقعیت سوپاپها، شیرها، متصل کنندهها و سایر تجهیزات مرتبط است. هدف اصلی لوله کشی دیگ بخار، برقراری یک سیستم دقیق و کارآمد برای انتقال بخار به ازای نیازهای صنعتی است.

این نقشه شامل اطلاعاتی مانند مسیر لولهها و اتصالات آنها، نقاط تقاطع لولهها، نقاط انتقال حرارت، مکانهای نصب و متصل کردن تجهیزات مختلف مانند دیگها، سوپاپها، پمپها، تجهیزات حفاظتی و دستگاههای کنترلی را در بر میگیرد. این نقشه برای مهندسان مکانیک، مهندسان بخار و سایر افراد مرتبط با طراحی، نصب و عیب یابی سیستمهای بخار مفید است. با استفاده از نقشه لوله کشی دیگ بخار، امکان شناسایی مشکلات فنی مانند نشتی های لوله، اتصالات نامناسب، تداخل دستگاهها و همچنین بررسی و بهبود عملکرد سیستم بخار وجود دارد.
یک نقشه لوله کشی دیگ بخار معمولاً شامل سیستم لوله کشی بخار در یک ساختمان صنعتی یا نیروگاه است. در این نقشه، خطوط لوله بخار با استفاده از خطوط زمینهی و خطوط نازکتر به تفصیل نشان داده میشوند. لولههای بزرگتر که بیشترین حجم بخار را حمل میکنند، به صورت خطوط زمینهی با ضخامت بیشتر نشان داده میشوند. تجهیزات مانند دیگها، پمپها، سوپاپها، کلیدهای امنیتی و سایر تجهیزات نصب شده در سیستم نیز در نقشه نشان داده میشوند.
نقشه لوله کشی دیگ بخار شامل نشانهها و سمبلهای استاندارد است که برای نشان دادن انواع سوپاپها، شیرها، پمپها و سایر تجهیزات استفاده میشوند. این نقشه میتواند شامل اطلاعات فنی دیگری مانند فشار و دماهای مربوط به خطوط و تجهیزات باشد. در نقشه لوله کشی دیگ بخار، از نمادها و سمبلهای استانداردی استفاده میشود تا انواع تجهیزات و اتصالات را نشان دهد. مهمترین نمادها و سمبلهای استفاده شده در این نقشهها عبارتند از:
یک مستطیل با یک یا دو خط عمودی درون آن برای نشان دادن مکان و نوع دیگ بخار استفاده میشود. معمولاً با عددی درون مستطیل، ظرفیت بخار دیگ مشخص میشود.
یک شکل گرد با یک جفت فلکه یا پره برای نشان دادن مکان و نوع پمپ استفاده میشود.
یک شکل گرد با یک خط کشیده و یک پره برای نشان دادن مکان و نوع سوپاپ استفاده میشود. سمبلهای متفاوت برای سوپاپهای تخلیه، تنظیم فشار، برگشتی و غیره وجود دارد.
یک خط عمودی با یک علامت صلیب یا مربع کوچک در بالای آن برای نشان دادن مکان و نوع شیر استفاده میشود.
برای نشان دادن ترمومترها، فشارسنجها، رطوبتسنجها و سایر تجهیزات اندازهگیری و کنترل، سمبلهای خاصی استفاده میشود که بسته به نوع تجهیزات، ممکن است متفاوت باشد.
این نمادها و سمبلها معمولاً در یک جدول استاندارد قرار دارند که در دسترس مهندسان و طراحان برای تفسیر نقشههای لوله کشی دیگ بخار است. همچنین، استانداردهای مختلفی برای نمادگذاری در صنعت بخار وجود دارند که میتوانید به آنها مراجعه کنید تا با جزئیات بیشتری درباره نمادها و سمبلها آشنا شوید.
بسیاری از سازمانها و موسسات صنعتی استانداردها و راهنماهای فنی را برای نقشه کشی و طراحی سیستمهای بخار ارائه میدهند. مثلاً استانداردهای ANSI/ASME، ISO، DIN و API میتوانند منابع مفیدی باشند. به عنوان مثال، استاندارد ANSI/ASME Piping and Instrumentation Diagram (P&ID) Standard (ANSI/ASME Y32.11) شامل نمادها و سمبلهای مربوط به سیستمهای لوله کشی است.
در بازار کتابهای مرتبط با طراحی سیستمهای بخار و نقشه کشی، میتوانید منابعی پیدا کنید که جداولی از نمادها و سمبلهای استاندارد را شامل میشوند. به طور خاص، کتابهای مرجع طراحی سیستمهای بخار و نقشه کشی P&ID ممکن است جداول مفیدی در این زمینه داشته باشند.
| AC | Analysis Controller | کنترلکننده آنالیز |
| PB | Push-button | دکمه فشاری |
| AE | Analyzer Element | قطعه آنالیز کننده |
| P/I | Pneumatic To Current Converter | تبدیل کننده پنوماتیک |
| AAH | Analysis Alarm [High] | آلارم آنالیز |
| POV | Pneumatically Operated Valve | شیر پنوماتیک |
| BE | Burner Element | قطعه سوزاننده |
| pHT | pH Transmitter | ترنسمیتر PH |
| BDV | Blowdown Valve | شیر تخلیه |
| PSE | Rupture Disk | دیسک انفجار |
| CR | Conductivity Recorder | ضبط کننده |
| PR | Pressure Recorder | ضبط فشار |
| ES | Electrical Switch | سوئیچ الکتریکی |
| PZV | Pressure Relief Valve | شیر تخلیه فشار |
| FIT | Flow Indicator Transmitter | نمایش جریان |
| RC | Ratio Controller | کنترلکننده نسبت |
| FY | Computer, Relay, Amplifier or I/P Converter | رایانه، رله، تقویتکننده یا تبدیلکننده جریان به فشار |
| RO | Restriction Orifice | روزنه محدودکننده |
| I/I | Current Indicator | نشانگر جریان |
| RTD | Resistance Temperature Detector | تشخیصدهنده دمای مقاومتی |
| KI | Clock/Timer | ساعت/تایمر |
| SA | Speed Alarm | آژیر هشدار سرعت |
| LCV | LCV Level Control Valve | شیر کنترل سطح |
| SD | Shutdown Panel | پنل خاموشی |
| LIT | Level Indicator Transmitter | تراگر نمایش سطح |
| SV | Solenoid Valve | شیر الکترومغناطیسی |
| LO | Lock Open | قفل باز |
| TA | Temperature Alarm | هشدار دما |
| MCC | Motor Control Center | مرکز کنترل موتور |
| TCV | Temperature Control Valve | شیر کنترل دما |
| MT | Motion Transmitter | تراگر حرکت |
| TH | Thermostat | ترموستات |
| MTU | Master Terminal Unit | واحد ترمینال اصلی |
| US | Utility Station | ایستگاه خدماتی |
| NC | Normally Closed | معمولاً بسته |
| WE | Weight Measuring Element | اندازه گیری وزن |
| NO | Normally Open | معمولاً باز |
| WS | Water Supply | تامین آب |
| PA | Pressure Alarm | هشدار فشار |
| ZV | Safety Shut-down (Pilot) valve | شیر پایلوت |

پترو صنعت تاراز